多功能水泵控制阀
Multifunctional pump control valve
用途
安装在高层建筑给水系统以及其它给水系统的水泵出口管道上,防止介质倒流。防止水锤及水击现象的产生。一阀兼具电动阀,逆止阀和水锤消除器三种功能,可有效地提高供水系统的安全可靠性。
use
Installed in high-rise building water supply system and other water supply system pump outlet pipe to prevent the media backflow. Prevent water hammer and water hammer phenomenon. The valve has three functions of electric valve, check valve and water hammer eliminator, which can effectively improve the safety and reliability of the water supply system.
特点
1、消除水锤效果好,将缓开、速闭、缓闭消除水锤的技术原理一体化,防止开泵水锤和停泵水锤的产生。
2、操作方便,只需操作水泵电机启闭按扭,阀门即按照水泵操作规程实现自动开闭。
3、节能效果好,阀体采用了全通道流线型直流式设计,压力损失小,流量大,且体积小,重量轻。
Features
1, the elimination of water hammer effect is good, the slow opening, fast closing, slow closing to eliminate the technical principle of water hammer integration, to prevent the production of open pump water hammer and stop pump water hammer.
2, easy to operate, just operate the pump motor opening and closing button, the valve is automatically opened and closed according to the pump operating rules.
3, the energy saving effect is good, the valve body adopts the full-channel streamline straight flow design, the pressure loss is small, the flow is large, and the volume is small, the weight is light.

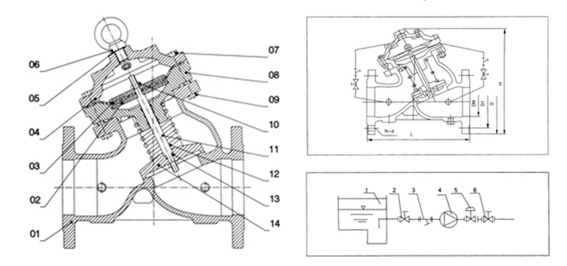
01.阀体
02.隔膜垫片
03.隔膜
04.阀盖
05.填料
06.吊环
07.螺栓
08.隔膜座
09.螺栓
10.阀杆紧固螺母
11.阀杆
12.弹簧
13.“O”形密封圈
14.阀瓣
01. Valve body
02. Diaphragm gasket
03. Diaphragm
04. Valve cover
05. Stuffing
06. Hanging rings
07. Bolts
08. Diaphragm seat
09. Bolts
10. Valve stem fastening nut
11. Valve stem
12. Spring
13. "O" seal ring
14. Valve disc
主要性能参数
Main performance parameters

主要零件材料
Main parts material

主要外形尺寸
Main overall dimensions
