VTM手柄蝶阀
VTM handle butterfly valve
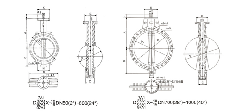
“A”型蝶阀

特点
1、小型轻便,容易拆装及维修,并可在任意位置安装
2、结构简单,紧凑,90°回转启闭迅速。
3、操作扭矩小,省力轻巧。
4、流量特性趋于直线,调节性能好
5、启闭试验次数多达数万次,寿命长
6、达到完全密封,气体试验泄漏为零
7、选择不同零部件材质,可适用多种介质
peculiarity
1, small and light, easy to disassemble and repair, and can be installed in any position
2, simple structure, compact, 90° turning open and close quickly.
3. Small operating torque, labor-saving and light.
4, the flow characteristics tend to be straight, good adjustment performance
5, the number of opening and closing tests up to tens of thousands of times, long life
6, to achieve complete seal, gas test leakage is zero
7, select different parts material, can be applicable to a variety of media
主要零部件材料
Main parts material
